Konfiguracja termostatu AD139C: Przewodnik krok po kroku

Wprowadzenie
Termostat AD139C to zaawansowane urządzenie, które pomaga w utrzymaniu optymalnej temperatury w Twoim domu. Dzięki bogatemu zestawowi funkcji oraz możliwości zdalnego sterowania za pomocą aplikacji mobilnej, termostat ten stanowi doskonałe rozwiązanie dla osób ceniących sobie komfort i wygodę. Poniżej przedstawiamy szczegółowy przewodnik po funkcjach urządzenia oraz instrukcję konfiguracji.
1. Funkcje Sterownika
Termostat AD139C oferuje szereg funkcji, takich jak:
- Połączenie WiFi
- Programowanie Sterownika
- Kalibracja Temperatury
- Zmiana Histerezy
- Blokada Rodzicielska
- Tryb Wakacyjny
- Funkcja Otwartego Okna
- Pamięć Ustawień


2. Opis Klawiszy Sterownika
Urządzenie jest wyposażone w następujące klawisze:
- Włącz/Wyłącz
- Tryb Automatyczny/Ręczny
- Potwierdź
- Zwiększ
- Zmniejsz
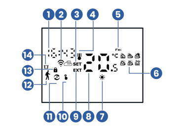
3. Opis ikon na wyświetlaczu sterownika
1. Godzina
2. Sekcja Wifi
3. Temperatura zadana
4. Temperatura pomieszczenia
5. Dzień tygodnia
6. 6 Zdarzeń dziennych
7. Tryb grzania
8. Wyświetlana temperatura
9. Czujnik podłogowy
10. Tryb Manualny
11. Tryb Automatyczny
12. Tryb wakacyjny
13. Blokada rodzicielska
14. Tryb otwartego okna


4. Konfiguracja WiFi - połączenie sterownika z aplikacją Smart
Termostat ten posiada funkcję WiFi, która umożliwia sterowanie temperaturą za
pomocą telefonu czy tabletu z urządzeń opartych o system Android lub iOS.
Termostat wyposażony jest w łączność bezprzewodową Wi-Fi 802.11 b/g/n w paśmie
2,4 GHz. Do sterowania termostatem niezbędna jest aplikacja na telefon TUYA Smart
- dostępna do pobrania ze sklepu Google Play oraz App Store.
Aby wykonać poniższe czynności w telefonie włącz: Wifi, Bluetooth, Lokalizację.
Postępuj zgodnie z poniższymi krokami, aby poprawnie sparować sterownik z
telefonem.
1. Uruchom w telefonie aplikację TUYA Smart. Aby dodać urządzenie do aplikacji
wybierz “Dodaj urządzenie” lub kliknij ikonę “+” w prawym górnym rogu
(Obraz 1-1). Następnie z menu znajdującego się z lewej strony wybieramy typ
dodawanego urządzenia jako “Małe urządzenia domowe” po czym
wybieramy “Termostat (Wi-Fi)” (Obraz 1-2). W następnym kroku wpisujemy
nazwę domowej sieci WiFi oraz hasło i klikamy “Dalej” (Obraz 1-3).
2. Przy włączonym termostacie przytrzymaj klawisze "Tryb Automatyczny/Ręczny" i "Potwierdź" , do momentu, aż na wyświetlaczu zaczną migać ikony "Sekcja Wifi" . Termostat znajduje się w trybie parowania.
W aplikacji TUYA Smart klikamy “Urządzenie jest włączone i miga dioda lub
usłyszałem dźwięk” (Obraz 2-1). Jeżeli diody "Sekcja Wifi" na wyświetlaczu
termostatu migają szybko to wybieramy na telefonie opcję “Blink Quickly”
(Obraz 2-2). Połączenie może trwać do 2 minut. Po poprawnym połączeniu
otrzymamy komunikat “Added successfully”, klikamy “Zakończono” (Obraz
2-3). Od teraz można sterować ogrzewaniem za pomocą telefonu.


5. Programowanie sterownika w trybie Automatycznym
Termostat umożliwia dostosowanie różnej temperatury w różnych interwałach
czasowych jak i programowanie regulatora w trybie 7 dni, 6+1 dni, 5+2 dni.
Domyślnie jest ustawiona opcja 5+2 dni.
Do ustawienia jest 6 zdarzeń dziennych, zgodnie z poniższą przykładową tabelą po lewej stronie.
Aby zaprogramować termostat musisz go włączyć. Następnie wciśnij i przytrzymaj
około 5 sekund przycisk "Tryb Automatyczny/Ręczny"
Jednokrotne naciśnięcie przycisku "Tryb Automatyczny/Ręczny" pozwala na wybranie: godziny, minuty, zdarzenia dziennego i temperatury do ustawienia. Te parametry korygujesz przyciskami "Zwiększ" i "Zmniejsz". Jeżeli wprowadziłeś już wszystkie dane, odczekaj 10 sekund aby wprowadzone zmiany zostały zapisane.
Po dokładnym przejściu przez powyższe kroki, Twój termostat powinien być prawidłowo skonfigurowany i gotowy do użycia. Pamiętaj, że zaprezentowaliśmy podstawowe funkcje i możliwości konfiguracji, które pozwolą na sprawne i efektywne użytkowanie urządzenia.
Jednakże, termostat AD139C oferuje znacznie więcej opcji i funkcji zaawansowanych, które umożliwiają jeszcze dokładniejsze dostosowanie pracy urządzenia do Twoich indywidualnych potrzeb. Aby w pełni wykorzystać potencjał tego zaawansowanego urządzenia, zachęcamy do zapoznania się z pełną instrukcją obsługi.
Instrukcja obsługi jest dostępna na naszej stronie internetowej, gdzie znajdziesz szczegółowe informacje na temat programowania sterownika, ustawień zaawansowanych, rozwiązywania problemów oraz innych ważnych kwestii technicznych.
Dokładne zrozumienie wszystkich funkcji termostatu pozwoli Ci na optymalizację jego działania, co przyczyni się do zwiększenia komfortu użytkowania oraz potencjalnego obniżenia kosztów związanych z ogrzewaniem.
Zachęcamy do odwiedzenia naszej strony internetowej i zapoznania się z pełną dokumentacją, aby wydobyć maksimum możliwości z Twojego nowego termostatu. Jeśli masz jakiekolwiek pytania lub potrzebujesz dodatkowej pomocy, nasz zespół wsparcia technicznego jest do Twojej dyspozycji.
LINK DO INSTRUKCJI >>>> KLIKNIJ <<<<
Polecane


