- Kompletny zestaw AD117-P + 3×AD148C do sterowania 3 strefami ogrzewania. Inteligentne sterowanie i wysoka niezawodność.
Produkty subskrypcyjne w twoim koszyku
Ustaw jedną częstotliwość dostaw dla wszystkich produktów subskrypcyjnych z twojego koszyka co:
Produkty subskrypcyjne w twoim koszyku
Zestaw sterowania ogrzewaniem podłogowym – 3 strefy (AD117-P + 3× AD148C)
Zestaw przeznaczony do sterowania jedną strefą ogrzewania podłogowego. W skład kompletu wchodzi listwa sterująca AD117-P oraz jeden termostat przewodowy AD148C. Idealny do mniejszych pomieszczeń lub pojedynczych obwodów grzewczych.
Najważniejsze zalety zestawu AD117-P + AD148C
✅ Prosty montaż i konfiguracja
System AD117-P + AD148C został zaprojektowany tak, aby jego instalacja była maksymalnie szybka i intuicyjna. Listwa sterująca posiada czytelne oznaczenia zacisków i przejrzysty układ połączeń, co znacząco ułatwia montaż nawet w złożonych instalacjach. Termostaty AD148C montowane są podtynkowo w standardowej puszce Ø60 mm, a połączenie z listwą odbywa się przewodowo, co gwarantuje niezawodne działanie systemu od pierwszego uruchomienia.
✅ Wysoka niezawodność i stabilna komunikacja
Komunikacja między termostatami a listwą sterującą odbywa się w pełni przewodowo, co eliminuje ryzyko zakłóceń i utraty sygnału. System zapewnia natychmiastową reakcję na zmiany temperatury, a solidne komponenty elektroniczne gwarantują długą i bezawaryjną pracę w każdych warunkach.
✅ Możliwość rozbudowy do 8 stref
Listwa sterująca AD117-P obsługuje do ośmiu niezależnych obwodów grzewczych, co pozwala łatwo dopasować system do wielkości budynku i liczby pomieszczeń. W dowolnym momencie można rozbudować instalację, dodając kolejne termostaty i siłowniki bez konieczności wymiany centrali.
✅ Programowalne harmonogramy pracy
Termostat AD148C umożliwia ustawienie harmonogramów grzewczych dopasowanych do trybu życia domowników. Można zaprogramować różne temperatury w ciągu dnia i tygodnia, co pozwala ograniczyć zużycie energii bez utraty komfortu cieplnego.
✅ Kompatybilność z siłownikami 230 V
Listwa AD117-P współpracuje z popularnymi siłownikami termoelektrycznymi typu NC i NO zasilanymi napięciem 230 V. Dzięki temu system jest kompatybilny z większością rozdzielaczy ogrzewania podłogowego dostępnych na rynku i może być stosowany zarówno w nowych, jak i modernizowanych instalacjach.
✅ Energooszczędna praca systemu
Precyzyjna kontrola temperatury w każdej strefie pozwala na efektywne zarządzanie energią. System uruchamia obiegi grzewcze tylko wtedy, gdy jest to potrzebne, redukując niepotrzebne zużycie prądu i ciepła. W efekcie użytkownik zyskuje realne oszczędności przy zachowaniu pełnego komfortu.
✅ Możliwość ręcznej i automatycznej regulacji
Użytkownik może w każdej chwili zmienić tryb pracy termostatu – przejść z automatycznego na ręczny, aby szybko dostosować temperaturę do aktualnych potrzeb. Intuicyjny interfejs termostatu sprawia, że obsługa systemu jest prosta i wygodna dla każdego.
✅ Precyzyjna regulacja temperatury
Wbudowany czujnik temperatury o wysokiej czułości zapewnia dokładne pomiary i płynną reakcję systemu na najmniejsze zmiany warunków cieplnych. Dzięki temu w każdym pomieszczeniu panuje stabilna i komfortowa temperatura bez niepożądanych wahań.
✅ Centralne zarządzanie i oszczędność energii
Listwa AD117-P pełni funkcję centrali sterującej całym systemem – odbiera sygnały z termostatów, zarządza pracą siłowników, pompy oraz kotła. Dzięki centralnemu sterowaniu ogrzewanie działa tylko tam, gdzie jest potrzebne, co pozwala ograniczyć zużycie energii i zoptymalizować pracę instalacji.

Przewodowa listwa sterująca AD117-P do ogrzewania podłogowego 230V – 8 stref
Listwa AD117-P to niezawodne i funkcjonalne rozwiązanie przeznaczone do sterowania ogrzewaniem płaszczyznowym w maksymalnie 8 niezależnych strefach. Umożliwia szybkie i uporządkowane podłączenie przewodowych regulatorów temperatury oraz siłowników termoelektrycznych, montowanych na rozdzielaczu instalacji podłogowej.
Urządzenie wyposażone jest we wbudowany moduł (styk beznapięciowy) do sterowania źródłem ciepła (np. kotłem) oraz obiegiem pompowym, co pozwala na kompleksowe zarządzanie systemem grzewczym. Sterowanie odbywa się poprzez załączanie lub odcinanie przepływu czynnika grzewczego w odpowiednich pętlach, na podstawie sygnałów z regulatorów pokojowych.

Intuicyjna instalacja i wygodna obsługa
Listwa centralna AD117-P to zaawansowane, a zarazem wyjątkowo przyjazne w montażu rozwiązanie przeznaczone do sterowania siłownikami termoelektrycznymi 230 V typu NC (normalnie zamkniętymi), wykorzystywanymi w systemach ogrzewania podłogowego wodnego. Urządzenie działa na podstawie sygnałów z przewodowych regulatorów pokojowych, które można zasilać bezpośrednio z listwy – co znacząco upraszcza instalację i eliminuje konieczność stosowania dodatkowych zasilaczy.

Listwa została zaprojektowana z myślą o wygodzie instalatora i użytkownika. Każda ze stref posiada niezależną sygnalizację LED, dzięki czemu w czasie rzeczywistym można monitorować aktywność poszczególnych obiegów grzewczych. Urządzenie automatycznie steruje pompą obiegową oraz kotłem, aktywując je z odpowiednim opóźnieniem w celu ochrony komponentów instalacji i zapewnienia płynnego działania. Dodatkowo, AD117-P może współpracować z zewnętrznymi programatorami czasowymi oraz układami mieszającymi, co czyni ją idealnym rozwiązaniem zarówno do prostych instalacji jednorodzinnych, jak i bardziej rozbudowanych systemów wielostrefowych.

Najważniejsze korzyści
✔️ Obsługa do 8 niezależnych stref grzewczych
✔️ Sterowanie do 16 siłowników termoelektrycznych NC
✔️ Przeznaczona do pracy z przewodowymi termostatami typu on/off zasilanymi 230 V
✔️ Styk beznapięciowy do sterowania urządzeniem grzewczym
✔️ Styk napięciowy do obsługi pompy
✔️ Opóźnione załączanie kotła i pompy dla ochrony instalacji
✔️ Diody LED sygnalizujące stan pracy każdej strefy grzewczej
✔️ Kompatybilność z zaworami strefowymi i timerem
✔️ Cicha, bezawaryjna praca
✔️ Montaż na szynie DIN
✔️ Oszczędność energii i wyższy komfort cieplny
SCHEMAT PODŁĄCZEŃ LISTWY STERUJĄCEJ - AD117-P


Termostat elektroniczny programowalny AD148C
Termostat przewodowy AD148C to nowoczesne urządzenie do precyzyjnej regulacji temperatury w instalacjach ogrzewania podłogowego, współpracujące z listwą sterującą Acurel AD117-P. W połączeniu z listwą tworzy kompletny system sterowania strefowego, który umożliwia niezależne zarządzanie temperaturą w maksymalnie ośmiu pomieszczeniach.
Wyposażony w czujnik temperatury powietrza oraz wbudowaną baterię podtrzymującą, termostat pozwala na łatwe programowanie harmonogramów grzewczych dostosowanych do rytmu dnia użytkowników. Steruje pracą siłowników termoelektrycznych podłączonych do listwy AD117-P, otwierając lub zamykając obwody grzewcze w zależności od aktualnych potrzeb cieplnych w danej strefie.
Dzięki zastosowaniu listwy sterującej AD117-P, termostat AD148C nie wymaga bezpośredniego połączenia z kotłem — komunikacja z urządzeniem grzewczym odbywa się poprzez wyjście przekaźnikowe listwy. Takie rozwiązanie zapewnia wysoką niezawodność, łatwość montażu oraz estetyczny i uporządkowany sposób prowadzenia przewodów w rozdzielaczu ogrzewania.
System AD117-P + AD148C doskonale sprawdza się zarówno w nowych instalacjach, jak i przy modernizacji istniejących układów grzewczych. Umożliwia elastyczne sterowanie ogrzewaniem w każdym pomieszczeniu, zwiększając komfort użytkowania i efektywność energetyczną budynku.

Precyzja i komfort nigdy nie były tak blisko
Sterownik ten został zaprojektowany w nowoczesnej stylistyce przy użyciu najlepszych materiałów. Termostat posiada wyświetlacz LCD z kontrastowym podświetleniem, co gwarantuje łatwy odczyt nawet w ciemnościach, a dotykowe przyciski umożliwiają prostą i szybką obsługę.
Termostat ten umożliwia dostosowanie różnej temperatury w sześciu interwałach czasowych jak i programowanie regulatora w trybie 7 dni, 6+1 dni, 5+2 dni dzięki czemu staje się idealnym narzędziem do stworzenia komfortu cieplnego na miarę Twojego domu oraz potrzeb Twojej rodziny. Termostat można przełączyć w tryb ręczny, w którym można ustawić tymczasową temperaturę poza programem.
Termostat ten oferuje dodatkowe funkcje ułatwiające użytkowanie tj.:
✔️ programowalny
✔️ blokada rodzicielska
✔️ tryb wakacyjny
✔️ pamięć ustawień

Termostat pokojowy wyposażony jest w funkcje podtrzymującą, która umożliwia zachowanie wszystkich ustawień użytkownika w przypadku zaniku zasilania. Urządzenie posiada także wbudowany czujnik temperatury powietrza, odpowiadający za precyzyjne monitorowanie i regulację temperatury w pomieszczeniu, zapewniając komfort i efektywność energetyczną.
Dlaczego warto zastosować listwę centralnego ogrzewania w systemie wodnym
Zastosowanie listwy centralnego ogrzewania jako głównego modułu sterującego w instalacji wodnego ogrzewania podłogowego lub grzejnikowego to rozwiązanie, które łączy funkcjonalność, komfort i efektywność energetyczną. Listwa umożliwia scentralizowane zarządzanie temperaturą w wielu strefach (np. pomieszczeniach), współpracując z przewodowymi termostatami pokojowymi oraz siłownikami termoelektrycznymi montowanymi na rozdzielaczu. Taki układ pozwala na precyzyjne sterowanie przepływem czynnika grzewczego w każdej pętli grzewczej – w zależności od zapotrzebowania cieplnego danego pomieszczenia – co przekłada się na znaczne oszczędności energii oraz wyższy komfort użytkowania. Dodatkowo, listwa może być zintegrowana z urządzeniami grzewczymi (kotłem, pompą, zaworami), umożliwiając ich automatyczne załączanie tylko wtedy, gdy jest to potrzebne. Dzięki intuicyjnemu sposobowi montażu i obsługi, a także szerokiej kompatybilności z różnymi typami termostatów i siłowników, listwa centralna stanowi serce nowoczesnego i zoptymalizowanego systemu ogrzewania domu.

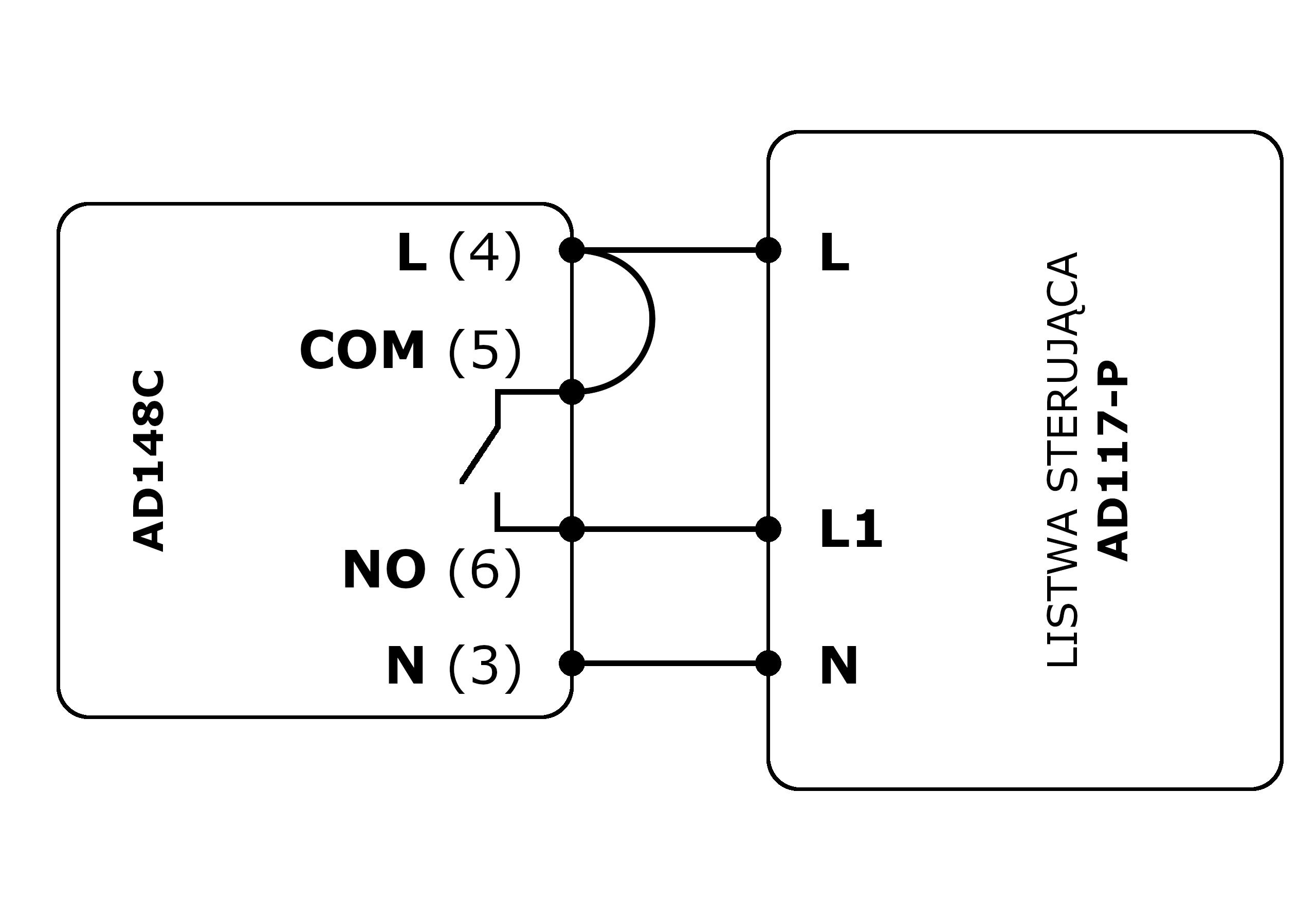
Schemat podłączenia termostatu AD148C do listwy sterującej AD117-P




Zalecenia montażowe
Termostat należy zamontować w centralnym pomieszczeniu budynku (np. salonie lub korytarzu), w miejscu reprezentatywnym dla temperatury całego domu. Urządzenie powinno być umieszczone na wysokości ok. 1,5 metra od podłogi, z dala od:
❌ źródeł ciepła (grzejników, kominków, kuchni),
❌ bezpośredniego nasłonecznienia,
❌ przeciągów oraz drzwi zewnętrznych,
❌ urządzeń emitujących ciepło (telewizory, sprzęt RTV).
Montaż:
✅ Podtynkowy – instalacja w standardowej puszce instalacyjnej Ø60 mm.
✅ Termostat AD148C łączy się przewodowo bezpośrednio z listwą sterującą AD117-P, co zapewnia stabilne zasilanie i komunikację z systemem.
✅ Przewody sygnałowe i zasilające należy poprowadzić zgodnie z oznaczeniami zacisków listwy oraz schematem instalacji ogrzewania.
✅ Przed rozpoczęciem prac montażowych należy odłączyć napięcie zasilające.
Uwaga:
Podłączenia elektryczne powinien wykonywać wykwalifikowany elektryk zgodnie z obowiązującymi normami bezpieczeństwa oraz dokumentacją techniczną urządzeń.
Zestaw zawiera
✔️ Listwa sterująca AD117-P - 1 sztuka
✔️ Termostat programowalny - 3 sztuki
✔️ Metalowy kluczyk do odpowietrznika
✔️ Śruby montażowe
✔️ Instrukcja obsługi w języku polskim
✔️ Oryginalne pudełko

Na ten produkt gwarancji udziela ELEXPRESS.






































